Ваш город: Москва
8-800-257-34-15
Звонок бесплатный по РФ
+7 (495) 374-79-78
Москва, улица Академика Бакулева, 1/10
Адрес компании
Мытищи, Коммунистическая ул 25 Г, "Тракт-Терминал"
Пункт выдачи заказов
mail@gdekomfort.ru
E-mail адрес
Пн-Вс, с 09:00-18:00 (МСК)
График работы:
Наш каталог
0 0 Корзина 0

Насос циркуляционный промышленный DAB EVOPLUS B 120/280.50 M (60150974) ДАБ

Рейтинг 0 (на базе 0 отзывов)
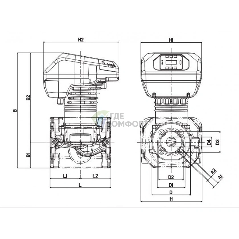
Промышленный циркуляционный насос DAB EVOPLUS B 120/280.50 M (60150974) предназначен для стабильной циркуляции теплоносителя в замкнутых контурах отопления и ГВС промышленных зданий. Насос обеспечивает постоянное давление и температуру в крупных системах. Конструкция с чугунным корпусом и керамическим подшипником двигателя гарантирует устойчивость к агрессивным средам и минимальный износ, увеличивая межсервисный интервал. Энергосберегающий асинхронный двигатель класса IE3 снижает потребление электроэнергии. Параметры: максимальный напор до 8 метров, пропускная способность до 12 м³/ч, рабочий диапазон температур от -10°C до +110°C. Фланцевое соединение стандарта DIN EN 1092-2 упрощает интеграцию в трубопроводы. Автоматический воздухоотводчик и три скорости работы позволяют точно настроить насос для оптимальной эффективности в котельных, производственных цехах и многоэтажных зданиях, предотвращая завоздушивание и перегрев системы.
Максимальный напор (м)
12
Вид перекачиваемой среды
Для чистой воды
Материал корпуса
Чугун
Класс IP-защиты
IP 44
Максимальная потребляемая мощность (Вт)
530
Напряжение сети
220
Показать все характеристики
Товар в наличии
Код: 169531
Артикул: 60150974
190 001
Нашли дешевле? Позвоните - обсудим
Уточняйте наличие товара на складе
сопутствующие товары
Цена по запросу
Нет в наличии
Купить в 1 клик
  • Наличный и безналичный расчет
  • Курьер по Москве в пределах МКАД: 1500 ₽
  • За пределы МКАД: 1500 +70 ₽ за 1 км
  • По России: по тарифам транспортных компаний
  • Бесплатно со склада компании
  • Пункт выдачи: "Тракт-Терминал" корпус А9
Особенности покупки в Где-Комфорт
Официальный поставщик DAB
Гарантия производителя
Товар сертифицирован и cоответствует всем стандартам
Обслуживание в официальных сервисных центрах
О товаре
Характеристики
Вопросы и ответы
Установка
Отзывы
0

Промышленный циркуляционный насос DAB EVOPLUS B 120/280.50 M для стабильных систем

Модель EVOPLUS B 120/280.50 M предназначена для непрерывной циркуляции теплоносителя в замкнутых контурах отопления и ГВС промышленных зданий. Его конструкция решает задачи поддержания постоянного давления и температуры в крупных системах.

Конструктивные преимущества для долгой службы

Чугунный корпус и керамический подшипник двигателя обеспечивают устойчивость к агрессивным средам и минимальный износ. Это прямо влияет на межсервисный интервал и снижает затраты на обслуживание.

Эксплуатационные параметры и экономия

  • Максимальный напор: до 8 м.
  • Пропускная способность: до 12 м³/ч.
  • Энергосберегающий асинхронный двигатель класса IE3 снижает потребление электроэнергии.
  • Рабочий диапазон температур: от -10°C до +110°C.

Фланцевое соединение стандарта DIN EN 1092-2 упрощает интеграцию в действующие трубопроводы. Автоматический воздухоотводчик и три скорости работы позволяют точно настроить насос под параметры вашей системы для оптимальной эффективности.

Надежный циркуляционный насос DAB для ответственных объектов

Это решение для котельных, производственных цехов и многоэтажных зданий, где критически важна бесперебойная работа. Насос поддерживает стабильный гидравлический режим, предотвращая завоздушивание и перегрев системы.

Максимальный напор (м)
12
Вид перекачиваемой среды
Для чистой воды
Материал корпуса
Чугун
Класс IP-защиты
IP 44
Максимальная потребляемая мощность (Вт)
530
Напряжение сети
220
Материал рабочего колеса
Технополимер
Рабочее давление (бар)
16
Максимальная температура перекачиваемой жидкости (C)
110
Класс изоляции
F
Тип присоединения
Фланцевое
Тип электродвигателя
Синхронный
Монтажная длина (мм)
280
Содержание гликоля (%)
30
Установка
Горизонтальная
Частотное регулирование
Да
Модель
EVOPLUS
Длина (см)
2.5
Ширина (см)
28
Высота (см)
41.3
Глубина (см)
23
Вес (кг)
21.8
Вы можете заказать услугу по монтажу купленной у нас техники

Профессионально! Закажите товар и забудьте о хлопотах! Надежно и быстро!

Заказать
Реальные отзывы наших клиентов

Поделитесь своим оптытом!

Оставить отзыв
Вы смотрели
Мы используем файлы cookie.
Продолжив использование сайта, Вы соглашаетесь с политикой использования файлов cookie, обработки персональных данных и конфиденциальности.
Подробнее