Наш каталог
0 0 Корзина 0
Рейтинг 0 (на базе 0 отзывов)
Vaillant
Газовый настенный котел Vaillant atmoTEC plus VU 200/5-5 мощностью до 20 кВт идеально подходит для отопления домов площадью до 200 м². Надёжность, экономичность (КПД 91%), медный теплообменник, модулируемая горелка, работа на природном и сжиженном газе. Комфортное и эффективное решение для вашего дома!
Вид котла
Газовый
Вид топлива
Газ
Камера сгорания
Открытая
Количество контуров
Одноконтурный
Материал теплообменника
Сталь
Установка
Настенный
Показать все характеристики
Нет в наличии
Код: 105604
Артикул: 10015250
80 512
сопутствующие товары
Цена по запросу
Нет в наличии
Купить в 1 клик
Доставка:
Курьер по Москве: 1000 ₽
Самовывоз: бесплатно
По России: по тарифам транспортных компаний
Оплата:
Наличный и безналичный расчет
О товаре
Характеристики
Установка
Отзывы
0

Газовый настенный одноконтурный котел Vaillant atmoTEC plus VU 200/5-5: оптимальное решение для эффективного отопления

Газовый котел Vaillant atmoTEC plus VU 200/5-5 — это надежный и современный вариант для организации отопления в частном доме или квартире. Модель рассчитана исключительно на отопление, что делает ее идеальной для систем с отдельным бойлером или тем, кому не требуется горячее водоснабжение от котла. Благодаря продуманной конструкции и качеству производителя Vaillant, серия plus уверенно занимает топовые позиции среди настенных котлов.

  • Полезная мощность регулируется в диапазоне от 7,6 до 20 кВт, позволяя подобрать оптимальный режим под жилище различной площади
  • Котел используется с открытой камерой сгорания, что обеспечивает естественный отвод продуктов горения через дымоход и не требует дорогостоящего монтажа коаксиальной системы
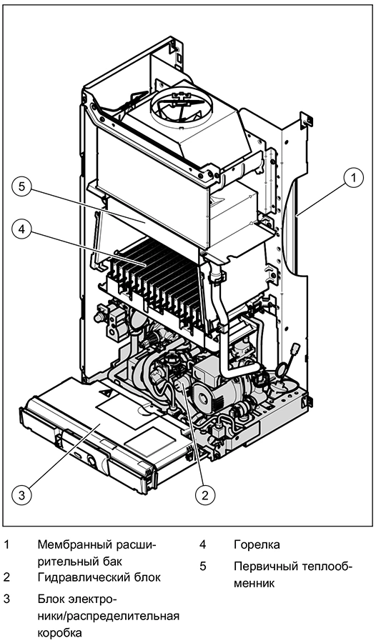
  • Первичный теплообменник выполнен из меди и обеспечивает эффективную теплопередачу с КПД до 91%
  • Модернизированная горелка из хромо-никелевой стали продлевает срок службы и снижает уровень шума при работе
  • Встроенный циркуляционный насос с автоматическим переключением ступеней поддерживает стабильную циркуляцию теплоносителя
  • Расширительный бак с оптимальным объёмом позволяет системе работать без перебоев при изменении температур
  • Электронное управление и ЖК-дисплей упрощают настройку и контроль параметров, а функция самодиагностики ускоряет поиск неисправностей
  • Система защиты от замерзания и блокировки насоса активируется автоматически при длительном простое
  • Возможно комбинирование котла с емкостным водонагревателем серии VIH для организации ГВС
  • Компактные размеры (440×800×338 мм) и минимальные требования к монтажу позволяют установить устройство даже в небольших помещениях, а все сервисные узлы доступны с фронтальной стороны

Vaillant atmoTEC plus VU 200/5-5 подходит для отопления как в реконструируемых, так и в новых зданиях. Это оптимальный выбор для тех, кто ценит надежность и хочет купить современный газовый котел с отличным соотношением цена-качество. Официальный производитель гарантирует высокую производительность и долговечность оборудования.

  1. Газовые котлы Vaillant легко интегрируются в системы с различными радиаторами и тёплыми полами
  2. Простое подключение и интуитивное управление делают эксплуатацию доступной даже для не специалистов
  3. Вся продукция Vaillant проходит строгий контроль качества на заводе в стране-изготовителе

Выбирая настенный одноконтурный котел Vaillant atmoTEC plus VU 200/5-5, вы инвестируете в эффективность, безопасность и долгосрочную экономию на отоплении вашего дома. Оформить заказ и узнать актуальную цену на модель всегда можно в нашем интернет-магазине с быстрой доставкой по Москве и всей России.

Вид котла
Газовый
Вид топлива
Газ
Камера сгорания
Открытая
Количество контуров
Одноконтурный
Материал теплообменника
Сталь
Установка
Настенный
Управление
Электронное
Дымоход
Естественная тяга
Мощность (кВт)
20.2
Тип подключения к сети
Энергозависимый
Отапливаемая площадь (м²)
190
Мин. потребляемая тепловая мощность (кВт)
10,6
Макс. полезная тепловая мощность (кВт)
24
Вы можете заказать услугу по монтажу купленной у нас техники

Профессионально! Закажите товар и забудьте о хлопотах! Надежно и быстро!

Заказать
Реальные отзывы наших клиентов

Поделитесь своим оптытом!

Оставить отзыв
Рекомендуемые товары
Похожие товары
Полезные статьи
19 октября 2025, 00:21
Baxi Eco 4S: полное руководство по настройке, подключению и запуску

Полное практическое руководство по установке, подключению и настройке газового котла Baxi Eco 4S. В статье подробно разобраны этапы монтажа, подключение к газу, отоплению и ГВС, настройка пользовательских и сервисных параметров, а также пошаговый запуск отопления. Вы узнаете, как правильно включить котёл, проверить давление в системе, выбрать режим работы и подключить комнатный термостат.

17 октября 2025, 21:48
Baxi Eco Four: пошаговое руководство по установке и настройке для максимальной эффективности

В статье подробно разобраны все этапы: от предварительной подготовки (проверка типа газа, подбор дымохода, промывка системы отопления) и безопасного монтажа (подключение газа, воды, коаксиального дымохода и электропитания) до первого запуска и базовой настройки режимов «Зима» и «Лето». Особое внимание уделено профессиональной тонкой настройке через сервисное меню.

16 октября 2025, 17:14
Ошибки котлов Baxi: как распознать, понять и устранить — разбор для владельцев

Статья представляет собой экспертный разбор типичных ошибок газовых котлов Baxi: от отсутствия розжига (E01) и перегрева (E02/E03) до сбоев в электронике и проблем с дымоходом. Автор объясняет возможные причины каждой неисправности — от банального отсутствия газа или завоздушивания системы до неисправности платы управления или нарушения тяги.

16 октября 2025, 15:10
Как подключить газовый котел Baxi — пошаговая инструкция от эксперта

В этой статье вы найдёте пошаговое руководство по подключению газового котла Baxi — от выбора места и монтажа до подсоединения дымохода, отопления, газа и электричества. Все этапы сопровождаются практическими советами от экспертов, которые помогут избежать ошибок, обеспечить безопасность и продлить срок службы оборудования.

Мы используем файлы cookie.
Продолжив использование сайта, Вы соглашаетесь с политикой использования файлов cookie, обработки персональных данных и конфиденциальности.
Подробнее